[MOD] Omnitronic PAS210 | Modweiche
Moderatoren: Moderation DIY, Bereichsmod
-
Jobsti
Themenstarter - Administrator

- Status: Online
- Beiträge: 8801
- Registriert: 13. Nov 2006 18:57
- Wohnort: Steinau Ulmbach
- Beruf: Tontechniker (FH)
- Firma: Jobst-Audio
- Bedankung vergeben: 324 Mal
- Bedankung erhalten: 1094 Mal
- Kontaktdaten:
Re: Omnitronic PAS210 | Modweiche
Habe gerade nachgeschaut, hätte genau ein Paar am Lager.
Wenn es größere Bauteile (Q2/Q4 statt MKT) sein dürfen, auch 4 Paar.
Wenn es größere Bauteile (Q2/Q4 statt MKT) sein dürfen, auch 4 Paar.
Mit freundlichen Grüßen
B. Jobst (Tontechniker FH) | Fa. Jobst-Audio | 36396 Steinau Ulmbach | Germany | www. Jobst-Audio .de
Kaffeekasse | Du magst mir einen Kaffee spendieren? Gerne ;-)
Fragen zu Bestellungen usw. bitte ausschließlich per PM, Mail oder Telefon! Werden im Forum kommentarlos gelöscht.
B. Jobst (Tontechniker FH) | Fa. Jobst-Audio | 36396 Steinau Ulmbach | Germany | www. Jobst-Audio .de
Kaffeekasse | Du magst mir einen Kaffee spendieren? Gerne ;-)
Fragen zu Bestellungen usw. bitte ausschließlich per PM, Mail oder Telefon! Werden im Forum kommentarlos gelöscht.
-
Weierleier
- Kabelstöpsler
- Status: Offline
- Beiträge: 168
- Registriert: 3. Sep 2010 23:16
- Bedankung vergeben: 17 Mal
- Bedankung erhalten: 20 Mal
-
ONV78
- Global-Moderator

- Status: Offline
- Beiträge: 456
- Registriert: 24. Mai 2008 16:16
- Wohnort: Ober-Ramstadt
- Firma: More Acoustic
- Bedankung vergeben: 4 Mal
- Bedankung erhalten: 32 Mal
- Kontaktdaten:
Re: Omnitronic PAS210 | Modweiche
Hallo,
ich muss den alten Thread mal ausgraben.
Ich habe vor bestimmt 3 oder 4 Jahren mal die ganzen Bauteile für die MOD Weiche gekauft, sie aber bis heute nicht aufgebaut, da kein Bedarf war.
Jetzt wollte ich das demnächst machen, allerdings finde ich den Schaltplan der Weiche nicht mehr.
Auf der Seite wo er früher war kommt die Meldung "hier wird gerade gearbeitet" ist er vielleicht noch irgendwo anders zu finden ?
Grüße
ich muss den alten Thread mal ausgraben.
Ich habe vor bestimmt 3 oder 4 Jahren mal die ganzen Bauteile für die MOD Weiche gekauft, sie aber bis heute nicht aufgebaut, da kein Bedarf war.
Jetzt wollte ich das demnächst machen, allerdings finde ich den Schaltplan der Weiche nicht mehr.
Auf der Seite wo er früher war kommt die Meldung "hier wird gerade gearbeitet" ist er vielleicht noch irgendwo anders zu finden ?
Grüße
-
Jobsti
Themenstarter - Administrator

- Status: Online
- Beiträge: 8801
- Registriert: 13. Nov 2006 18:57
- Wohnort: Steinau Ulmbach
- Beruf: Tontechniker (FH)
- Firma: Jobst-Audio
- Bedankung vergeben: 324 Mal
- Bedankung erhalten: 1094 Mal
- Kontaktdaten:
Re: Omnitronic PAS210 | Modweiche
@ONV78
Alles wieder im ersten Beitrag eingefügt
Alles wieder im ersten Beitrag eingefügt
- Für diesen Beitrag von Jobsti bedankte sich:
- (Nutzer für Gäste nicht sichtbar)
Mit freundlichen Grüßen
B. Jobst (Tontechniker FH) | Fa. Jobst-Audio | 36396 Steinau Ulmbach | Germany | www. Jobst-Audio .de
Kaffeekasse | Du magst mir einen Kaffee spendieren? Gerne ;-)
Fragen zu Bestellungen usw. bitte ausschließlich per PM, Mail oder Telefon! Werden im Forum kommentarlos gelöscht.
B. Jobst (Tontechniker FH) | Fa. Jobst-Audio | 36396 Steinau Ulmbach | Germany | www. Jobst-Audio .de
Kaffeekasse | Du magst mir einen Kaffee spendieren? Gerne ;-)
Fragen zu Bestellungen usw. bitte ausschließlich per PM, Mail oder Telefon! Werden im Forum kommentarlos gelöscht.
-
Weierleier
- Kabelstöpsler
- Status: Offline
- Beiträge: 168
- Registriert: 3. Sep 2010 23:16
- Bedankung vergeben: 17 Mal
- Bedankung erhalten: 20 Mal
Re: Omnitronic PAS210 | Modweiche
So ich mal wieder der n bisschen Leichenschändung betreibt
Nachdem das Material jetzt lange genug herumlag und über Corona eh nichts los war bin ich jetzt endlich dazu gekommen die Weichen aufzubauen.
Bevor ich ernst mache und alles verlöte wollte ich nochmal das Layout der Platine abchecken lassen. Kann man das so machen oder soll ich die Spulen weiter auseinander setzen?
MfG
Moritz
Nachdem das Material jetzt lange genug herumlag und über Corona eh nichts los war bin ich jetzt endlich dazu gekommen die Weichen aufzubauen.
Bevor ich ernst mache und alles verlöte wollte ich nochmal das Layout der Platine abchecken lassen. Kann man das so machen oder soll ich die Spulen weiter auseinander setzen?
MfG
Moritz
Du hast keine ausreichende Berechtigung, um die Dateianhänge dieses Beitrags anzusehen.
-
Jobsti
Themenstarter - Administrator

- Status: Online
- Beiträge: 8801
- Registriert: 13. Nov 2006 18:57
- Wohnort: Steinau Ulmbach
- Beruf: Tontechniker (FH)
- Firma: Jobst-Audio
- Bedankung vergeben: 324 Mal
- Bedankung erhalten: 1094 Mal
- Kontaktdaten:
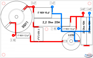
Omnitronic PAS210 | Bauteilanordnung Frequenzweiche
Mache die definitiv weiter auseinander.
Hier zur Vorlage mal flott eine Anordnungshilfe von mir, passend zu einer 160x100mm Platine.
So angeordnet, dass man womöglich komplett ohne Brücken auskommt und alle Bauteile direkt verbinden kann.
Die Spulen haben mindesntes 50mm Platz zueinander, mit deiner LU32 sollten sogar 60-70mm möglich sein.
Update:
Mit LU32 und zwei R in Reihe wirst du 1-2 Brücken brauchen. Dafür kommst du mit 160x85mm zurecht
Hier zur Vorlage mal flott eine Anordnungshilfe von mir, passend zu einer 160x100mm Platine.
So angeordnet, dass man womöglich komplett ohne Brücken auskommt und alle Bauteile direkt verbinden kann.
Die Spulen haben mindesntes 50mm Platz zueinander, mit deiner LU32 sollten sogar 60-70mm möglich sein.
Update:
Mit LU32 und zwei R in Reihe wirst du 1-2 Brücken brauchen. Dafür kommst du mit 160x85mm zurecht
- Für diesen Beitrag von Jobsti bedankte sich:
- (Nutzer für Gäste nicht sichtbar)
Mit freundlichen Grüßen
B. Jobst (Tontechniker FH) | Fa. Jobst-Audio | 36396 Steinau Ulmbach | Germany | www. Jobst-Audio .de
Kaffeekasse | Du magst mir einen Kaffee spendieren? Gerne ;-)
Fragen zu Bestellungen usw. bitte ausschließlich per PM, Mail oder Telefon! Werden im Forum kommentarlos gelöscht.
B. Jobst (Tontechniker FH) | Fa. Jobst-Audio | 36396 Steinau Ulmbach | Germany | www. Jobst-Audio .de
Kaffeekasse | Du magst mir einen Kaffee spendieren? Gerne ;-)
Fragen zu Bestellungen usw. bitte ausschließlich per PM, Mail oder Telefon! Werden im Forum kommentarlos gelöscht.
-
Weierleier
- Kabelstöpsler
- Status: Offline
- Beiträge: 168
- Registriert: 3. Sep 2010 23:16
- Bedankung vergeben: 17 Mal
- Bedankung erhalten: 20 Mal
Re: Omnitronic PAS210 | Modweiche
Klasse vielen vielen danke
das werd ich wohl genau so machen
noch eine Frage:
Schrauben für die Spule sollten nicht magnetisch sein oder?
Welcher Kleber eignet sich am besten zum festkleben der Einzelteile?
MfG
Moritz
das werd ich wohl genau so machen
noch eine Frage:
Schrauben für die Spule sollten nicht magnetisch sein oder?
Welcher Kleber eignet sich am besten zum festkleben der Einzelteile?
MfG
Moritz
-
Jobsti
Themenstarter - Administrator

- Status: Online
- Beiträge: 8801
- Registriert: 13. Nov 2006 18:57
- Wohnort: Steinau Ulmbach
- Beruf: Tontechniker (FH)
- Firma: Jobst-Audio
- Bedankung vergeben: 324 Mal
- Bedankung erhalten: 1094 Mal
- Kontaktdaten:
Re: Omnitronic PAS210 | Modweiche
Schrauben & Muttern: Edelstahl (Diese aber vorher prüfen, wenn sie absolut minimal magnetisch sind, macht das idR keine Probleme. Mit V4 ist man aber 100% sicher)
Kleber: Ich nutze Reca S78, der schaut aus und fühlt sich an wie Silikon. Silikon sollte auch kein Problem darstellen. Würde nur nix Hartes nutzen, wie Heißkleber oder so.
Kleber: Ich nutze Reca S78, der schaut aus und fühlt sich an wie Silikon. Silikon sollte auch kein Problem darstellen. Würde nur nix Hartes nutzen, wie Heißkleber oder so.
Mit freundlichen Grüßen
B. Jobst (Tontechniker FH) | Fa. Jobst-Audio | 36396 Steinau Ulmbach | Germany | www. Jobst-Audio .de
Kaffeekasse | Du magst mir einen Kaffee spendieren? Gerne ;-)
Fragen zu Bestellungen usw. bitte ausschließlich per PM, Mail oder Telefon! Werden im Forum kommentarlos gelöscht.
B. Jobst (Tontechniker FH) | Fa. Jobst-Audio | 36396 Steinau Ulmbach | Germany | www. Jobst-Audio .de
Kaffeekasse | Du magst mir einen Kaffee spendieren? Gerne ;-)
Fragen zu Bestellungen usw. bitte ausschließlich per PM, Mail oder Telefon! Werden im Forum kommentarlos gelöscht.
-
Weierleier
- Kabelstöpsler
- Status: Offline
- Beiträge: 168
- Registriert: 3. Sep 2010 23:16
- Bedankung vergeben: 17 Mal
- Bedankung erhalten: 20 Mal
Re: Omnitronic PAS210 | Modweiche
Sodala hab endlich alles fertig, gefällt mir sehr gut bisher, gibts noch irgend welche Empfehlungen für den DSP? (DCX)
MfG
Moritz
MfG
Moritz
-
Jobsti
Themenstarter - Administrator

- Status: Online
- Beiträge: 8801
- Registriert: 13. Nov 2006 18:57
- Wohnort: Steinau Ulmbach
- Beruf: Tontechniker (FH)
- Firma: Jobst-Audio
- Bedankung vergeben: 324 Mal
- Bedankung erhalten: 1094 Mal
- Kontaktdaten:
Re: Omnitronic PAS210 | Modweiche
Nur das Übliche:
- Hochpass (Minimum 70Hz für Vollgas)
- Limiter
- Geschmacks-EQ
- Hochpass (Minimum 70Hz für Vollgas)
- Limiter
- Geschmacks-EQ
- Für diesen Beitrag von Jobsti bedankte sich:
- (Nutzer für Gäste nicht sichtbar)
Mit freundlichen Grüßen
B. Jobst (Tontechniker FH) | Fa. Jobst-Audio | 36396 Steinau Ulmbach | Germany | www. Jobst-Audio .de
Kaffeekasse | Du magst mir einen Kaffee spendieren? Gerne ;-)
Fragen zu Bestellungen usw. bitte ausschließlich per PM, Mail oder Telefon! Werden im Forum kommentarlos gelöscht.
B. Jobst (Tontechniker FH) | Fa. Jobst-Audio | 36396 Steinau Ulmbach | Germany | www. Jobst-Audio .de
Kaffeekasse | Du magst mir einen Kaffee spendieren? Gerne ;-)
Fragen zu Bestellungen usw. bitte ausschließlich per PM, Mail oder Telefon! Werden im Forum kommentarlos gelöscht.
-
Weierleier
- Kabelstöpsler
- Status: Offline
- Beiträge: 168
- Registriert: 3. Sep 2010 23:16
- Bedankung vergeben: 17 Mal
- Bedankung erhalten: 20 Mal
-
- Vergleichbare Themen
- Antworten
- Zugriffe
- Letzter Beitrag
-
- 4 Antworten
- 2159 Zugriffe
-
Letzter Beitrag von Jobsti
Wer ist online?
Mitglieder in diesem Forum: 0 Mitglieder und 0 Gäste