[Reparatur] Saba acoustic monitor lautsprecher MX140
Moderatoren: Moderation DIY, Bereichsmod
-
MeikHub36
Themenstarter - Neuling
- Status: Offline
- Beiträge: 11
- Registriert: 19. Aug 2023 03:33
- Wohnort: Saarbrücken
- Beruf: Dachdecker
- Firma: Marx
Saba acoustic monitor lautsprecher MX140
Wo bekomme ich für Saba acoustic monitor MX140 Frequenzweiche her?Wäre echt super für einige Tips oder Empfehlungen
-
Modell T
- Knöpfchendreher
- Status: Offline
- Beiträge: 637
- Registriert: 14. Jul 2023 12:57
- Wohnort: Sailauf / Eichenberg
- Beruf: Rentner
- Bedankung vergeben: 193 Mal
- Bedankung erhalten: 136 Mal
Re: Saba acoustic monitor lautsprecher MX140
Bist du sicher das die MX140 heißt. Es gibt eine Saba MX, aber nicht als 140. Der Acoustik Monitor 140 heißt AM140. Besitze selbst noch ein funktionsfähiges Paar. Die Weichen habe ich vor ca. 3 Jahren überholt, jeweils 3 neue Elkos rein und sie klingt wieder wie neu.
Gruß Frank
Gruß Frank
Man kann ohne Musik leben, aber es lohnt sich nicht.
-
MeikHub36
Themenstarter - Neuling
- Status: Offline
- Beiträge: 11
- Registriert: 19. Aug 2023 03:33
- Wohnort: Saarbrücken
- Beruf: Dachdecker
- Firma: Marx
Re: Saba acoustic monitor lautsprecher MX140
Das Bild ist von Google
http://www.audiofilek.pl/de/baza-du/baz ... onitor-140
Wie kann ich Bild vom Handy hier aktivieren
http://www.audiofilek.pl/de/baza-du/baz ... onitor-140
Wie kann ich Bild vom Handy hier aktivieren
-
MeikHub36
Themenstarter - Neuling
- Status: Offline
- Beiträge: 11
- Registriert: 19. Aug 2023 03:33
- Wohnort: Saarbrücken
- Beruf: Dachdecker
- Firma: Marx
Re: Saba acoustic monitor lautsprecher MX140
Weil ich will sie nicht auf den Müll schmeißen sind echt zu schade dafür
-
Modell T
- Knöpfchendreher
- Status: Offline
- Beiträge: 637
- Registriert: 14. Jul 2023 12:57
- Wohnort: Sailauf / Eichenberg
- Beruf: Rentner
- Bedankung vergeben: 193 Mal
- Bedankung erhalten: 136 Mal
Re: Saba acoustic monitor lautsprecher MX140
Das sind die AM 140 wie ich sie auch habe, allerdings in schwarz.
Kannst du löten? Wenn ja, Rückwand abschrauben. Frequenzweichen ausbauen. Neue Elkos bei Reichelt bestellen und einlöten. Die benötigten Werte entnimmst du den alten Elkos. Dann klingt sie wieder wie neu. Die Sicken sind aus Gummi und halten wirklich eine Ewigkeit, da sollte sich nichts fehlen.
Einen Versuch ist es wert.
Gruß Frank
Kannst du löten? Wenn ja, Rückwand abschrauben. Frequenzweichen ausbauen. Neue Elkos bei Reichelt bestellen und einlöten. Die benötigten Werte entnimmst du den alten Elkos. Dann klingt sie wieder wie neu. Die Sicken sind aus Gummi und halten wirklich eine Ewigkeit, da sollte sich nichts fehlen.
Einen Versuch ist es wert.
Gruß Frank
Man kann ohne Musik leben, aber es lohnt sich nicht.
-
MeikHub36
Themenstarter - Neuling
- Status: Offline
- Beiträge: 11
- Registriert: 19. Aug 2023 03:33
- Wohnort: Saarbrücken
- Beruf: Dachdecker
- Firma: Marx
Re: Saba acoustic monitor lautsprecher MX140
Das werde ich hinbekommen habe auch den Yamaha RX-N600 hinbekommen wollte nicht mehr angehen
Und es lag am Kondensator wie bei manchen Yamahas
https://youtu.be/MduGQ67PlFE?si=UtWMezT_wxdmQtOc
Und es lag am Kondensator wie bei manchen Yamahas
https://youtu.be/MduGQ67PlFE?si=UtWMezT_wxdmQtOc
-
Modell T
- Knöpfchendreher
- Status: Offline
- Beiträge: 637
- Registriert: 14. Jul 2023 12:57
- Wohnort: Sailauf / Eichenberg
- Beruf: Rentner
- Bedankung vergeben: 193 Mal
- Bedankung erhalten: 136 Mal
Re: Saba acoustic monitor lautsprecher MX140
Na dann viel Erfolg. Die Platinen sind am Gehäuse verklebt. Nichts Wildes, aber beim Einbau ebenfalls gut verkleben, sonst vibriert es.
Gruß Frank
Gruß Frank
Du hast keine ausreichende Berechtigung, um die Dateianhänge dieses Beitrags anzusehen.
Man kann ohne Musik leben, aber es lohnt sich nicht.
-
MeikHub36
Themenstarter - Neuling
- Status: Offline
- Beiträge: 11
- Registriert: 19. Aug 2023 03:33
- Wohnort: Saarbrücken
- Beruf: Dachdecker
- Firma: Marx
Re: Saba acoustic monitor lautsprecher MX140
Dann möchte ich mal ganz lieb danke sagen für deine Mühe
Eine Frage habe ich noch was haltest du von
https://de.aliexpress.com/item/10050028 ... 0602002_17
Die haben doch einige Frequenzweichen wenn die richtige dabei wäre
Eine Frage habe ich noch was haltest du von
https://de.aliexpress.com/item/10050028 ... 0602002_17
Die haben doch einige Frequenzweichen wenn die richtige dabei wäre
-
MeikHub36
Themenstarter - Neuling
- Status: Offline
- Beiträge: 11
- Registriert: 19. Aug 2023 03:33
- Wohnort: Saarbrücken
- Beruf: Dachdecker
- Firma: Marx
Re: Saba acoustic monitor lautsprecher MX140
Kannst du mir vielleicht sagen der kleine Elkos was das für einer ist ?
Nur wenn du es noch weißt der in der Mitte
Nur wenn du es noch weißt der in der Mitte
-
Azrael
- Hellmacher
- Status: Offline
- Beiträge: 508
- Registriert: 7. Jul 2009 16:33
- Bedankung vergeben: 92 Mal
- Bedankung erhalten: 83 Mal
Re: Saba acoustic monitor lautsprecher MX140
Ja wenn. Da aber eine Frequenzweiche normalerweise speziell für eine bestimmte Treiberkombination in einem bestimmten Gehäuse entwickelt wird, ist das äußerst unwahrscheinlich. Mit solchen Fertigweichen machen IMHO Menschen Geld mit anderen Menschen, die das nicht wissen.
Viele Grüße,
Michael
- Für diesen Beitrag von Azrael bedankte sich:
- (Nutzer für Gäste nicht sichtbar)
-
Modell T
- Knöpfchendreher
- Status: Offline
- Beiträge: 637
- Registriert: 14. Jul 2023 12:57
- Wohnort: Sailauf / Eichenberg
- Beruf: Rentner
- Bedankung vergeben: 193 Mal
- Bedankung erhalten: 136 Mal
Re: Saba acoustic monitor lautsprecher MX140
Neue Frequenzweichen halte ich für schwierig, da die AM140 noch die Balance Regelung für die beiden Hochtöner hat, was irgendwie auch über die Frequenzweichen läuft. Ich bin kein Elektroniker. Es sind lediglich Grundkenntnisse in Elektrotechnik vorhanden.
Nach dem kleinen Elko schauen wird schwierig, ich habe auch keine Rechnung mehr. Warum auch, die Werte sollten doch auf den alten stehen. Auslöten und nachsehen.
Mache dir die Arbeit, macht Spaß und das Ergebnis stimmt hinterher. Ich habe auch gleich neues Dämmmaterial verbaut und eine Dichtung für die Rückwand verklebt.
Allerdings klingt dieser Lautsprecher erst richtig gut wenn er nicht direkt auf dem Boden steht. Saba hatte mal Boxenständer im Programm, da stand die AM140 ca. 20cm hoch und nach hinten geneigt. Ich habe meine seinerzeit ebenfalls hoch gestellt, ein Unterschied wie Tag & Nacht. Denn Bass kann sie, mit ihrem 320mm Treiber.
Gruß Frank
Nach dem kleinen Elko schauen wird schwierig, ich habe auch keine Rechnung mehr. Warum auch, die Werte sollten doch auf den alten stehen. Auslöten und nachsehen.
Mache dir die Arbeit, macht Spaß und das Ergebnis stimmt hinterher. Ich habe auch gleich neues Dämmmaterial verbaut und eine Dichtung für die Rückwand verklebt.
Allerdings klingt dieser Lautsprecher erst richtig gut wenn er nicht direkt auf dem Boden steht. Saba hatte mal Boxenständer im Programm, da stand die AM140 ca. 20cm hoch und nach hinten geneigt. Ich habe meine seinerzeit ebenfalls hoch gestellt, ein Unterschied wie Tag & Nacht. Denn Bass kann sie, mit ihrem 320mm Treiber.
Gruß Frank
Man kann ohne Musik leben, aber es lohnt sich nicht.
-
Modell T
- Knöpfchendreher
- Status: Offline
- Beiträge: 637
- Registriert: 14. Jul 2023 12:57
- Wohnort: Sailauf / Eichenberg
- Beruf: Rentner
- Bedankung vergeben: 193 Mal
- Bedankung erhalten: 136 Mal
Re: Saba acoustic monitor lautsprecher MX140
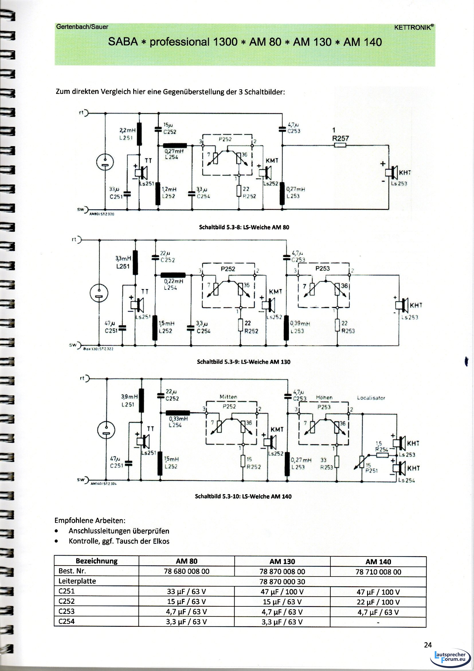
Habe noch etwas für dich. Bei Ebay gab es mal ein Handbuch für die Sabas, habe ich mir bestellt und darin folgendes gefunden. Damit hast du die original Werte und kannst dir die Komplementärtypen bei Reichelt suchen. Da gibt es Folienkondensatoren und du brauchst auch nicht auf die Polarität achten. Obwohl das kein Problem darstellt.
Gruß Frank
Gruß Frank
- Für diesen Beitrag von Modell T bedankten sich 2 Nutzer:
- (Nutzer für Gäste nicht sichtbar)
Man kann ohne Musik leben, aber es lohnt sich nicht.
-
Azrael
- Hellmacher
- Status: Offline
- Beiträge: 508
- Registriert: 7. Jul 2009 16:33
- Bedankung vergeben: 92 Mal
- Bedankung erhalten: 83 Mal
Re: Saba acoustic monitor lautsprecher MX140
Demnach hätte der kleinste Elko eine Kapazität von 4,7 µF. Da könnte man auch einen Folien-Typ hernehmen, wenn der Platz reicht, notfalls irgendwie senkrecht einbauen.
So ein Kondensator wäre jedenfalls langlebiger.
Viele Grüße,
Michael
So ein Kondensator wäre jedenfalls langlebiger.
Viele Grüße,
Michael
-
Modell T
- Knöpfchendreher
- Status: Offline
- Beiträge: 637
- Registriert: 14. Jul 2023 12:57
- Wohnort: Sailauf / Eichenberg
- Beruf: Rentner
- Bedankung vergeben: 193 Mal
- Bedankung erhalten: 136 Mal
Re: Saba acoustic monitor lautsprecher MX140
Was genau und wie ein Elko aufgebaut ist kann ich dir nicht direkt beantworten. Allerdings weiß ich so viel, das Folienkondensatoren nicht mehr austrocknen, halten also eine kleine Ewigkeit. Während die Standardtypen austrocknen und ihre Leistungsfähigkeit verlieren. Ein Elko soll ja Strom speichern und abgeben wenn eine Spitze gebraucht wird. Wenn er trocken ist geht das einfach nicht mehr.
Gruß Frank
Gruß Frank
Man kann ohne Musik leben, aber es lohnt sich nicht.
-
Azrael
- Hellmacher
- Status: Offline
- Beiträge: 508
- Registriert: 7. Jul 2009 16:33
- Bedankung vergeben: 92 Mal
- Bedankung erhalten: 83 Mal
Re: Saba acoustic monitor lautsprecher MX140
Mit Folientyp meinte ich z.B. MKP- bzw. MKT-Kondensatoren. Deren Hauptvorteil gegenüber Elkos dürfte die Langzeitstabilität sein. Außerdem sind sie im Vergleich wohl auch deutlich belastbarer.
Der Nachteil: bei gleicher Kapazität sind sie deutlich größer, als Elkos.
Siehe auch hier.
Viele Grüße,
Michael
Der Nachteil: bei gleicher Kapazität sind sie deutlich größer, als Elkos.
Siehe auch hier.
Viele Grüße,
Michael
- Für diesen Beitrag von Azrael bedankte sich:
- (Nutzer für Gäste nicht sichtbar)
-
MeikHub36
Themenstarter - Neuling
- Status: Offline
- Beiträge: 11
- Registriert: 19. Aug 2023 03:33
- Wohnort: Saarbrücken
- Beruf: Dachdecker
- Firma: Marx
Re: Saba acoustic monitor lautsprecher MX140
Sorry die Frage
Der elko mit 4,7uf darf der Wert auch 100v betragen oder ist das zu hoch?
Der elko mit 4,7uf darf der Wert auch 100v betragen oder ist das zu hoch?
-
Simon
- Knöpfchendreher
- Status: Offline
- Beiträge: 616
- Registriert: 17. Nov 2010 20:45
- Bedankung vergeben: 46 Mal
- Bedankung erhalten: 62 Mal
Re: Saba acoustic monitor lautsprecher MX140
Das ist die Spannungsfestigkeit. Also ab welcher der Kondensator nicht mehr richtig funktioniert bzw. Wegen zu hoher Spannung zerstört wird. Da kommt’s erst zu Durchschlägen, Kapazitätsverlust, Erwärmung und Bauteiltot.
Kann also nicht zu hoch, sondern zu niedrig sein.
Kann also nicht zu hoch, sondern zu niedrig sein.
-
MeikHub36
Themenstarter - Neuling
- Status: Offline
- Beiträge: 11
- Registriert: 19. Aug 2023 03:33
- Wohnort: Saarbrücken
- Beruf: Dachdecker
- Firma: Marx
Re: Saba acoustic monitor lautsprecher MX140
Ah ok danke wusste ich nicht
Das werde ich meinen Babys nicht antun
Hab mir bei Kleinanzeige wieder einen YamahaRX-N600
besorgt weil mein alter nicht mehr ging
Die zwei Babys haben sich richtig gefreut und kommen richtig in Fahrt
Er sieht noch richtig gut in Schuss aus für 80 Euro kann man nichts sagen
So dann werde ich mir die elkos mal besorgen
Aber ehrlich möchte mich herzlich bedanken für die guten Tipps und Hilfe
Sind zwar alte Boxen aber ich find sie noch immer gut
Stimmt es das man Frequenzweichen Tuning machen kann habe ich bei google gelesen soll sich eine Firma spezialisiert haben
Das werde ich meinen Babys nicht antun
Hab mir bei Kleinanzeige wieder einen YamahaRX-N600
besorgt weil mein alter nicht mehr ging
Die zwei Babys haben sich richtig gefreut und kommen richtig in Fahrt
Er sieht noch richtig gut in Schuss aus für 80 Euro kann man nichts sagen
So dann werde ich mir die elkos mal besorgen
Aber ehrlich möchte mich herzlich bedanken für die guten Tipps und Hilfe
Sind zwar alte Boxen aber ich find sie noch immer gut
Stimmt es das man Frequenzweichen Tuning machen kann habe ich bei google gelesen soll sich eine Firma spezialisiert haben
-
Modell T
- Knöpfchendreher
- Status: Offline
- Beiträge: 637
- Registriert: 14. Jul 2023 12:57
- Wohnort: Sailauf / Eichenberg
- Beruf: Rentner
- Bedankung vergeben: 193 Mal
- Bedankung erhalten: 136 Mal
Re: Saba acoustic monitor lautsprecher MX140
Na ja, was heißt Tuning? Es gibt fast nichts was man nicht verbessern kann, aber ob man es hört? Ob es das Geld wert ist? Tunen die nur die Weichen ohne Rücksicht auf die Treiber und das Gehäuse? Dann Finger weg, das muss zusammen passen. Die AM140 haben in den Siebzigern mal über 1000 DM gekostet, das waren für die Zeit schon hochwertige Lautsprecher und ich denke, die Ingenieure bei Saba haben sich schon Gedanken gemacht. Ich denke, einzig der Ersatz durch Folienkondensatoren oder einfach nur durch neue Kondensatoren bringt dir schon einen Gewinn. Dann schau, das die Gehäuse noch dicht schließen und gönne ihnen noch neuen Dämmstoff. Sind die Sicken noch i.O.? Sollte kein Problem sein, da aus Gummi, die halten eigentlich ewig.
Wenn du jetzt noch passende Boxenständer bastelst, wirst du deine Saba nicht mehr wieder erkennen
Gruß und wir sind gespannt!
Frank
Wenn du jetzt noch passende Boxenständer bastelst, wirst du deine Saba nicht mehr wieder erkennen
Gruß und wir sind gespannt!
Frank
- Für diesen Beitrag von Modell T bedankte sich:
- (Nutzer für Gäste nicht sichtbar)
Man kann ohne Musik leben, aber es lohnt sich nicht.
-
- Vergleichbare Themen
- Antworten
- Zugriffe
- Letzter Beitrag
-
- 13 Antworten
- 59786 Zugriffe
-
Letzter Beitrag von Markus Pajonk
-
- 3 Antworten
- 26123 Zugriffe
-
Letzter Beitrag von *xD*
-
- 2 Antworten
- 27815 Zugriffe
-
Letzter Beitrag von MJ DelMar
-
- 8 Antworten
- 512 Zugriffe
-
Letzter Beitrag von Tom81
-
- 5 Antworten
- 24619 Zugriffe
-
Letzter Beitrag von carolite
Wer ist online?
Mitglieder in diesem Forum: 0 Mitglieder und 2 Gäste