Frequenzweiche - Schaltplan und Funktion
Moderatoren: Moderation DIY, Bereichsmod
-
Die_Robbe
Themenstarter - Kabelwickler
- Status: Offline
- Beiträge: 67
- Registriert: 22. Apr 2016 11:20
- Bedankung vergeben: 18 Mal
- Bedankung erhalten: 25 Mal
Frequenzweiche - Schaltplan und Funktion
Ich habe hier ein paar Boxen (LD SAT 262 G2), die mit neuen Komponenten und ggf. auf aktive Trennung umgebaut werden soll,
da sie zwar optisch jedoch nicht akustisch ansprechend sind.
Bestückung original:
HT: Celestion CDX1-1010
TT: irgendwelche OEMs
Bestückung geplant:
HT: RCF CD1411-M 8Ohm an Schraubadapter, HT Horn verstärkt (Resonanzvermeidung)
TT: 2x Eighteensound 6ND430 16Ohm, eingefräst
Es gibt bereits ein Controllersetup, das stimmig klingt.
Ich möchte jedoch etwas Schutz für den HT einbauen - mindestens einen HPF (und ggf. ein Spannungsteiler, um das Rauschen des Amps (ist ein 4 Kanäler angedacht) noch weiter zu minimieren)
Dafür möchte ich Komponenten der Frequenzweiche weiter benutzen.
Ein anderer Gedanke war die Frequenzweiche soweit umzustricken, das sie eine simple Trennung ala Nexo PS15 macht und der Rest im Controller passiert.
Dazu bin ich aber in Passivweichen zu unerfahren und brauche eure Hilfe.
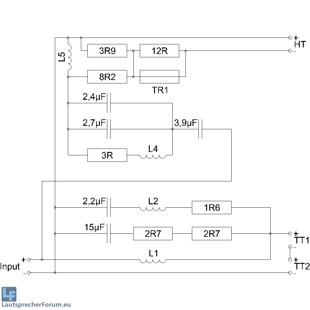
Eingebaut ist folgende Frewuenzweiche:
Herauslesen kann ich bisher folgendes:
- HT ist verpolt (vermutlich, weil die Phase aufgrund der Laufzeit nicht passt)
- TT sind in Serie - 2x 4 Ohm aus 8 Ohm
- der HT hat eine Schutzschaltung - TR1 scheint so eine selbst rückstellende Sicherung zu sein
- im HT und TT zweig sind Filter verbaut, die nicht zur 0815 Trennung, sondern zu weiteren Anpassungen da sind - da steig ich nicht durch
- L3 gibt es nicht - wird vermutlich für eine andere Variante benötigt.
- die Werte der Spulen sind nicht abzulesen / irgendwo aufgedruckt - ich habe keine Ahnung, wie ich die einfach ermitteln kann / in Erfahrung bringe
Kann mir hier jemand weiter helfen?
da sie zwar optisch jedoch nicht akustisch ansprechend sind.
Bestückung original:
HT: Celestion CDX1-1010
TT: irgendwelche OEMs
Bestückung geplant:
HT: RCF CD1411-M 8Ohm an Schraubadapter, HT Horn verstärkt (Resonanzvermeidung)
TT: 2x Eighteensound 6ND430 16Ohm, eingefräst
Es gibt bereits ein Controllersetup, das stimmig klingt.
Ich möchte jedoch etwas Schutz für den HT einbauen - mindestens einen HPF (und ggf. ein Spannungsteiler, um das Rauschen des Amps (ist ein 4 Kanäler angedacht) noch weiter zu minimieren)
Dafür möchte ich Komponenten der Frequenzweiche weiter benutzen.
Ein anderer Gedanke war die Frequenzweiche soweit umzustricken, das sie eine simple Trennung ala Nexo PS15 macht und der Rest im Controller passiert.
Dazu bin ich aber in Passivweichen zu unerfahren und brauche eure Hilfe.
Eingebaut ist folgende Frewuenzweiche:
Herauslesen kann ich bisher folgendes:
- HT ist verpolt (vermutlich, weil die Phase aufgrund der Laufzeit nicht passt)
- TT sind in Serie - 2x 4 Ohm aus 8 Ohm
- der HT hat eine Schutzschaltung - TR1 scheint so eine selbst rückstellende Sicherung zu sein
- im HT und TT zweig sind Filter verbaut, die nicht zur 0815 Trennung, sondern zu weiteren Anpassungen da sind - da steig ich nicht durch
- L3 gibt es nicht - wird vermutlich für eine andere Variante benötigt.
- die Werte der Spulen sind nicht abzulesen / irgendwo aufgedruckt - ich habe keine Ahnung, wie ich die einfach ermitteln kann / in Erfahrung bringe
Kann mir hier jemand weiter helfen?
-
Jobsti
- Administrator

- Status: Online
- Beiträge: 8818
- Registriert: 13. Nov 2006 18:57
- Wohnort: Steinau Ulmbach
- Beruf: Tontechniker (FH)
- Firma: Jobst-Audio
- Bedankung vergeben: 330 Mal
- Bedankung erhalten: 1115 Mal
- Kontaktdaten:
Re: Frequenzweiche - Schaltplan und Funktion
Also mit der Weiche wie sie ist, wirst du garnix anfangen können, außer diese zu zerlegen und evtl. deren Bauteile für was anderes zu verwenden.
Neue Komponenten bedeuten eine komplette Neuentwicklung.
Hier muss ja mindestens mal die Grundfunktion gegeben sein, samt passender Phase.
Wenn das nicht stimmt, bringt dir auch alles Rumgebiege mit dem DSP nix.
Für Aktiv reicht es eigentlich, wenn du einen Cap in Reihe benutzt, dieser kann dann eventuell anliegendes Rechteck (Clip) in Dreieck "wandeln" (aber mit höherer Spannung),
was Hochtöner oftmals besser vertragen.
Mehr an Hochpass würde ich da passiv gar nicht machen.
Die R deiner Weiche kannst du für ein LPAD vermutlich verwenden, hier kannste einfach mal den Rechner von mir verwenden und
drüberrechnen welche R du benötigt, bzw. was mit deinen Vorhandenen anzufangen ist.
Der Rechner rechnet übrigens immer linear, sprich die Impedanz soll möglichst identisch bleiben.
Dennoch kannst du deine Werte auch manuell eintragen, als Ergebnis kommt dann nur ne grobe Dämpfung raus,
da hier in der Praxis nicht linear abgesenkt wird. Das Ganze musste dann also vermessen.
Achso, die "Sicherung" erkenne ich am Bild nicht.
Schaue ich mir die Lötstellen an, wird es vermutlich aber ein einfaches PTC sein.
Wenn hier zu viel Strom fließt, schaltet dies quasi den Hochtöner ab, sinnvoll ist hier ein paralleler Widerstand,
dass im Abschaltfall der Hochton nicht komplett ausfällt.
Hier wirst du für deinen neuen Hochtöner aber vermutlich einen anderen Wert benötigen,
ansonsten schau was drauf steht und google die Daten
Werte der Spulen kannst du nur ermitteln indem du diese auslötest und entsprechend vermisst (Z.B. mit einer LCR Messbrücke oder auch Software wie LIMP)
Neue Komponenten bedeuten eine komplette Neuentwicklung.
Hier muss ja mindestens mal die Grundfunktion gegeben sein, samt passender Phase.
Wenn das nicht stimmt, bringt dir auch alles Rumgebiege mit dem DSP nix.
Für Aktiv reicht es eigentlich, wenn du einen Cap in Reihe benutzt, dieser kann dann eventuell anliegendes Rechteck (Clip) in Dreieck "wandeln" (aber mit höherer Spannung),
was Hochtöner oftmals besser vertragen.
Mehr an Hochpass würde ich da passiv gar nicht machen.
Die R deiner Weiche kannst du für ein LPAD vermutlich verwenden, hier kannste einfach mal den Rechner von mir verwenden und
drüberrechnen welche R du benötigt, bzw. was mit deinen Vorhandenen anzufangen ist.
Der Rechner rechnet übrigens immer linear, sprich die Impedanz soll möglichst identisch bleiben.
Dennoch kannst du deine Werte auch manuell eintragen, als Ergebnis kommt dann nur ne grobe Dämpfung raus,
da hier in der Praxis nicht linear abgesenkt wird. Das Ganze musste dann also vermessen.
Achso, die "Sicherung" erkenne ich am Bild nicht.
Schaue ich mir die Lötstellen an, wird es vermutlich aber ein einfaches PTC sein.
Wenn hier zu viel Strom fließt, schaltet dies quasi den Hochtöner ab, sinnvoll ist hier ein paralleler Widerstand,
dass im Abschaltfall der Hochton nicht komplett ausfällt.
Hier wirst du für deinen neuen Hochtöner aber vermutlich einen anderen Wert benötigen,
ansonsten schau was drauf steht und google die Daten
Werte der Spulen kannst du nur ermitteln indem du diese auslötest und entsprechend vermisst (Z.B. mit einer LCR Messbrücke oder auch Software wie LIMP)
Mit freundlichen Grüßen
B. Jobst (Tontechniker FH) | Fa. Jobst-Audio | 36396 Steinau Ulmbach | Germany | www. Jobst-Audio .de
Kaffeekasse | Du magst mir einen Kaffee spendieren? Gerne ;-)
Fragen zu Bestellungen usw. bitte ausschließlich per PM, Mail oder Telefon! Werden im Forum kommentarlos gelöscht.
B. Jobst (Tontechniker FH) | Fa. Jobst-Audio | 36396 Steinau Ulmbach | Germany | www. Jobst-Audio .de
Kaffeekasse | Du magst mir einen Kaffee spendieren? Gerne ;-)
Fragen zu Bestellungen usw. bitte ausschließlich per PM, Mail oder Telefon! Werden im Forum kommentarlos gelöscht.
-
Jobsti
- Administrator

- Status: Online
- Beiträge: 8818
- Registriert: 13. Nov 2006 18:57
- Wohnort: Steinau Ulmbach
- Beruf: Tontechniker (FH)
- Firma: Jobst-Audio
- Bedankung vergeben: 330 Mal
- Bedankung erhalten: 1115 Mal
- Kontaktdaten:
Re: Frequenzweiche - Schaltplan und Funktion
Deine Schaltung ist auch net 100% korrekt.
Habe sie mal nachgezeichnet (Ob HF verpolt ist habe ich jetzt nich geschaut)
Ist also eine 12dB/18dB Schaltung mit PTC und LPAD und im TP ein Saugkreis.
Habe sie mal nachgezeichnet (Ob HF verpolt ist habe ich jetzt nich geschaut)
Ist also eine 12dB/18dB Schaltung mit PTC und LPAD und im TP ein Saugkreis.
Mit freundlichen Grüßen
B. Jobst (Tontechniker FH) | Fa. Jobst-Audio | 36396 Steinau Ulmbach | Germany | www. Jobst-Audio .de
Kaffeekasse | Du magst mir einen Kaffee spendieren? Gerne ;-)
Fragen zu Bestellungen usw. bitte ausschließlich per PM, Mail oder Telefon! Werden im Forum kommentarlos gelöscht.
B. Jobst (Tontechniker FH) | Fa. Jobst-Audio | 36396 Steinau Ulmbach | Germany | www. Jobst-Audio .de
Kaffeekasse | Du magst mir einen Kaffee spendieren? Gerne ;-)
Fragen zu Bestellungen usw. bitte ausschließlich per PM, Mail oder Telefon! Werden im Forum kommentarlos gelöscht.
-
Die_Robbe
Themenstarter - Kabelwickler
- Status: Offline
- Beiträge: 67
- Registriert: 22. Apr 2016 11:20
- Bedankung vergeben: 18 Mal
- Bedankung erhalten: 25 Mal
Re: Frequenzweiche - Schaltplan und Funktion
Danke für die Info
Dann werde ich das Dämpfungsglied mit 8,2Ohm und 3,9Ohm nutzen und mir einen Kondensator für die Sicherheit einbauen.
Muss ich mir Gedanken um die Hitze der Widerstände machen, wenn ich diese (siehe Bild, 20W) so mit dem CD1411-M 8Ohm nutze?
Reicht das aus, wenn ich einen Kondensator um 20µF einbaue( das sind dann etwa 1000Hz nei 6dB/Okt an 8 Ohm)?
Oder schiebt der im Trennbereich (getrennt wird um 2000Hz) schon zu sehr an der Phase?
Dann werde ich das Dämpfungsglied mit 8,2Ohm und 3,9Ohm nutzen und mir einen Kondensator für die Sicherheit einbauen.
Muss ich mir Gedanken um die Hitze der Widerstände machen, wenn ich diese (siehe Bild, 20W) so mit dem CD1411-M 8Ohm nutze?
Reicht das aus, wenn ich einen Kondensator um 20µF einbaue( das sind dann etwa 1000Hz nei 6dB/Okt an 8 Ohm)?
Oder schiebt der im Trennbereich (getrennt wird um 2000Hz) schon zu sehr an der Phase?
-
- Vergleichbare Themen
- Antworten
- Zugriffe
- Letzter Beitrag
-
- 2 Antworten
- 3345 Zugriffe
-
Letzter Beitrag von Big Määääc
-
- 1 Antworten
- 2216 Zugriffe
-
Letzter Beitrag von pm-acustics
-
- 5 Antworten
- 2862 Zugriffe
-
Letzter Beitrag von ONV78
-
- 0 Antworten
- 3355 Zugriffe
-
Letzter Beitrag von scorpi
-
- 2 Antworten
- 1096 Zugriffe
-
Letzter Beitrag von MJ DelMar
Wer ist online?
Mitglieder in diesem Forum: 0 Mitglieder und 2 Gäste