[In Planung] MID HORNTOP 10" statt MT130
Moderatoren: Moderation DIY, Bereichsmod
-
tuffgong
Themenstarter - Kabelwickler
- Status: Offline
- Beiträge: 83
- Registriert: 1. Feb 2017 21:23
- Bedankung vergeben: 11 Mal
- Bedankung erhalten: 1 Mal
MID HORNTOP 10" statt MT130
Ich mache mal ein neues Thema auf, damit es nicht offtopic läuft bei meinem vorherigen Thread MT130 mit 10".
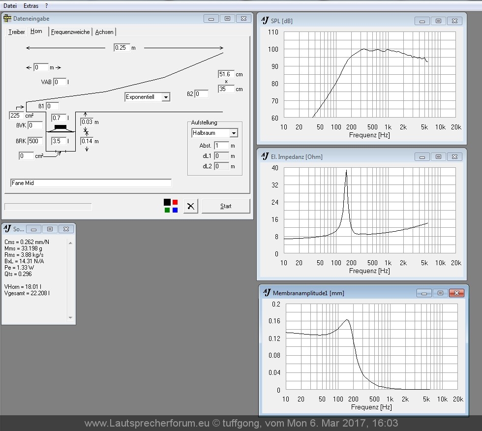
Nach ewiger Suche im Netz nach einem Bauvorschlag bin ich auf das hier gestoßen:
Habe das mal versucht in AJHorn zu simulieren:
Ich habe nun mal das Horn etwas länger gemacht, die Mundgröße verändert:
Jetzt bin ich auf Euren Senf gespannt.
Sollte das so einigermaßen hinhauen?
Dann würde ich mal ein Testgehäuse zusammenkloppen.
Nach ewiger Suche im Netz nach einem Bauvorschlag bin ich auf das hier gestoßen:
Habe das mal versucht in AJHorn zu simulieren:
Ich habe nun mal das Horn etwas länger gemacht, die Mundgröße verändert:
Jetzt bin ich auf Euren Senf gespannt.
Sollte das so einigermaßen hinhauen?
Dann würde ich mal ein Testgehäuse zusammenkloppen.
-
audio-pip
- Pro-User

- Status: Offline
- Beiträge: 437
- Registriert: 18. Mai 2010 14:46
- Bedankung vergeben: 1 Mal
- Bedankung erhalten: 1 Mal
Re: MID HORNTOP 10" statt MT130
Hi,
kurz und knapp NEIN...
Der Treiber ist nur bedingt für ein Horn geeignet, besser ein B&C 10MD26 der kann ohne Horn schon die 100dB.
War auch nie Fan von der 4 Kant-Öffnung, mein Horn hatte immer eine runde Öffnung und einen Phaseplug.
Ich finde das Horn zu kurz mit zu großer Halzöffnung, als das es sinnvoll laut machen würde.
Die kombination mit einem 1" ist auch kein so dolles Konstrukt, besser 1,5" (mein Tip Faital HF-146)
In der Form nur als Budget Top zu sehen, was durch ein halbwegs taugliche 15"/1,5" kombi auch erreicht wird und ohne Horn.
Von daher verschwendete Zeit.
kurz und knapp NEIN...
Der Treiber ist nur bedingt für ein Horn geeignet, besser ein B&C 10MD26 der kann ohne Horn schon die 100dB.
War auch nie Fan von der 4 Kant-Öffnung, mein Horn hatte immer eine runde Öffnung und einen Phaseplug.
Ich finde das Horn zu kurz mit zu großer Halzöffnung, als das es sinnvoll laut machen würde.
Die kombination mit einem 1" ist auch kein so dolles Konstrukt, besser 1,5" (mein Tip Faital HF-146)
In der Form nur als Budget Top zu sehen, was durch ein halbwegs taugliche 15"/1,5" kombi auch erreicht wird und ohne Horn.
Von daher verschwendete Zeit.
-
tuffgong
Themenstarter - Kabelwickler
- Status: Offline
- Beiträge: 83
- Registriert: 1. Feb 2017 21:23
- Bedankung vergeben: 11 Mal
- Bedankung erhalten: 1 Mal
Re: MID HORNTOP 10" statt MT130
danke für deine Einschätzung.
Die B&C hab ich rum liegen. Kostet also nix. Deswegen ist Budget Top ok.
Ob ich da 1 Zoll oder 1,4Zoll dazu nehme, seh ich mal. Ich guck mir den Faital ma an.
Mit der Halsöffnung kann ich ja ma rumspielen.
Die B&C hab ich rum liegen. Kostet also nix. Deswegen ist Budget Top ok.
Ob ich da 1 Zoll oder 1,4Zoll dazu nehme, seh ich mal. Ich guck mir den Faital ma an.
Mit der Halsöffnung kann ich ja ma rumspielen.
-
Klangart
- Knöpfchendreher
- Status: Offline
- Beiträge: 657
- Registriert: 28. Aug 2013 16:54
- Bedankung vergeben: 2 Mal
- Bedankung erhalten: 36 Mal
Re: MID HORNTOP 10" statt MT130
Nimmt kein Ende hier ...
Bitte beschäftigt Euch mit den simpelsten Grundlagen dann erspart sich hier vieles !
15cm Hornhalsdurchmesser läd bis 1,1kHz WENN die Öffnung Rund wäre ... ist sie aber hier nicht beim gezeigten *Simplexhorn* sondern Quadratisch ... "Vorkammer" auch noch ... also wenn das gescheit Funktionieren soll mit Ladung besorge schon mal nen BMS Koax mit Horn oder dicken 1,4"er oder so.
Die Seite >> http://www.centauriaudio.com.au/diy/plugs.html kann man auch nicht oft genug nennen so wie es aussieht.
Dann sollte auch klar sein das richtige Mid Hörner halt KEIN "Kindergeburtstag" sind.
Klangart
Bitte beschäftigt Euch mit den simpelsten Grundlagen dann erspart sich hier vieles !
15cm Hornhalsdurchmesser läd bis 1,1kHz WENN die Öffnung Rund wäre ... ist sie aber hier nicht beim gezeigten *Simplexhorn* sondern Quadratisch ... "Vorkammer" auch noch ... also wenn das gescheit Funktionieren soll mit Ladung besorge schon mal nen BMS Koax mit Horn oder dicken 1,4"er oder so.
Die Seite >> http://www.centauriaudio.com.au/diy/plugs.html kann man auch nicht oft genug nennen so wie es aussieht.
Dann sollte auch klar sein das richtige Mid Hörner halt KEIN "Kindergeburtstag" sind.
-
tuffgong
Themenstarter - Kabelwickler
- Status: Offline
- Beiträge: 83
- Registriert: 1. Feb 2017 21:23
- Bedankung vergeben: 11 Mal
- Bedankung erhalten: 1 Mal
Re: MID HORNTOP 10" statt MT130
Also sagst Du, dass die Simu so nicht stimmt und das Horn schon ab 1,1kHz abfällt.
Hab ich das richtig verstanden?
Hab ich das richtig verstanden?
-
Klangart
- Knöpfchendreher
- Status: Offline
- Beiträge: 657
- Registriert: 28. Aug 2013 16:54
- Bedankung vergeben: 2 Mal
- Bedankung erhalten: 36 Mal
Re: MID HORNTOP 10" statt MT130
Hallo,
bisserl Physik und geometrisches Grundrechnen 5. Schuljahr.
Könntest ja mal BITTE wenigstens versuchen die Grundlagen zu verstehen ... wozu gebe ich da auch Hinweise und zeige Links wenn DU dich dann nicht damit beschäftigst ...
Dann braucht`s auch erst kein AJ-Horn. Wenn du damit ideale Hörner und Antriebe "simulierst" wird dich die Praxis überholen ...
Lambda / halbe >> 15cm >> 1,1kHz.
Lambda / halbe >> 23cm (diagonale von nem 15cm Seitenlängen Quadrat >> 740Hz.
Das heißt das zwischen 740Hz und 1,1kHz deine Treiber Membrane / Horn Kopplung schon langsam flöten geht bis sie komplett "abreißt".
Klangart
bisserl Physik und geometrisches Grundrechnen 5. Schuljahr.
Könntest ja mal BITTE wenigstens versuchen die Grundlagen zu verstehen ... wozu gebe ich da auch Hinweise und zeige Links wenn DU dich dann nicht damit beschäftigst ...
Dann braucht`s auch erst kein AJ-Horn. Wenn du damit ideale Hörner und Antriebe "simulierst" wird dich die Praxis überholen ...
Lambda / halbe >> 15cm >> 1,1kHz.
Lambda / halbe >> 23cm (diagonale von nem 15cm Seitenlängen Quadrat >> 740Hz.
Das heißt das zwischen 740Hz und 1,1kHz deine Treiber Membrane / Horn Kopplung schon langsam flöten geht bis sie komplett "abreißt".
-
Klangart
- Knöpfchendreher
- Status: Offline
- Beiträge: 657
- Registriert: 28. Aug 2013 16:54
- Bedankung vergeben: 2 Mal
- Bedankung erhalten: 36 Mal
Re: MID HORNTOP 10" statt MT130
Habe sogar gerade noch "bunte Bilder" gefunden die ich selber mal aus Eigenbestand gemessen hatte ...
8" Hornpappe mit geschlossenem Rückkorb "solo" >>
>> [ externes Bild ]
dann DAS >> [ externes Bild ]
Mid-Horn mit 13-15cm rundem Hornhalsdurchmesser.
Ergibt DIE Messung ... >> [ externes Bild ]
Du SIEHST den 1,2 kHz "Abriss" in der Messung hoffentlich ? Ja ??
Physik und Praxis ist doch was Tolles !!!
Klangart
8" Hornpappe mit geschlossenem Rückkorb "solo" >>
>> [ externes Bild ]
dann DAS >> [ externes Bild ]
Mid-Horn mit 13-15cm rundem Hornhalsdurchmesser.
Ergibt DIE Messung ... >> [ externes Bild ]
Du SIEHST den 1,2 kHz "Abriss" in der Messung hoffentlich ? Ja ??
Physik und Praxis ist doch was Tolles !!!
Zuletzt geändert von Klangart am 7. Mär 2017 13:52, insgesamt 1-mal geändert.
-
audio-pip
- Pro-User

- Status: Offline
- Beiträge: 437
- Registriert: 18. Mai 2010 14:46
- Bedankung vergeben: 1 Mal
- Bedankung erhalten: 1 Mal
Re: MID HORNTOP 10" statt MT130
Was ist denn ein Rückkorb? Also entweder ist es ein geschlossener Korb oder eine Rückkammer...Klangart hat geschrieben:8" Hornpappe mit geschlossenem Rückkorb "solo"
► Text anzeigen
-
Klangart
- Knöpfchendreher
- Status: Offline
- Beiträge: 657
- Registriert: 28. Aug 2013 16:54
- Bedankung vergeben: 2 Mal
- Bedankung erhalten: 36 Mal
Re: MID HORNTOP 10" statt MT130
Hallo,
ein geschlossener Korb ist dann ja die "Rückkammer".
Weißt doch genau *audio-pip* was für ein Chassis gemeint war ...
DAS >> http://celestion.com/product/111/tf0818mr/ war`s.
Klangart
ein geschlossener Korb ist dann ja die "Rückkammer".
Weißt doch genau *audio-pip* was für ein Chassis gemeint war ...
DAS >> http://celestion.com/product/111/tf0818mr/ war`s.
-
audio-pip
- Pro-User

- Status: Offline
- Beiträge: 437
- Registriert: 18. Mai 2010 14:46
- Bedankung vergeben: 1 Mal
- Bedankung erhalten: 1 Mal
Re: MID HORNTOP 10" statt MT130
Die Tatsache, das ein geschlossener Korb eine Rückkammer darstellt, stand ja auch nicht zur Frage, ich hatte nur etwas Wort-Definitions-Schwirigkeiten.
noch etwas BTT:
@tuffgong du hast ja vier von den B&C 10PS26 bei dir liegen, mach da besser ein 210/1,5 Top draus was richtig schön kompakt ist, idealerweise mit dem B&C M60, da kannst du quasi nichts falsch machen, ob CB oder BR ist dann deinem persönlichen Geschmack überlassen.
Die Kiste kannst du mit 1,4kW/4R quälen und da kommt genug Dampf raus.
Da der 10"er relativ viel Hub macht, wirst du ihn thermisch killen wenn der im Horn steckt. (Glaskugel weg stell)
-
tuffgong
Themenstarter - Kabelwickler
- Status: Offline
- Beiträge: 83
- Registriert: 1. Feb 2017 21:23
- Bedankung vergeben: 11 Mal
- Bedankung erhalten: 1 Mal
Re: MID HORNTOP 10" statt MT130
das ist mal eine konstruktive Kritik.
Du meinst im Horn macht er zu wenig Hub und die Spule wird dadurch zu heiß?
Wie ist das denn dann bei anderen Chassis? Die machen ja im Horn auch nicht mehr Hub.
Du meinst im Horn macht er zu wenig Hub und die Spule wird dadurch zu heiß?
Wie ist das denn dann bei anderen Chassis? Die machen ja im Horn auch nicht mehr Hub.
-
tuffgong
Themenstarter - Kabelwickler
- Status: Offline
- Beiträge: 83
- Registriert: 1. Feb 2017 21:23
- Bedankung vergeben: 11 Mal
- Bedankung erhalten: 1 Mal
Re: MID HORNTOP 10" statt MT130
Danke sehr.
Der Hinweis auf die Schwingspule ist super.
Ich denke, ich baue mit den 10 Zöllern doch eher "normale" Gehäuse und nehme dann 1" als Hochtöner. Soll ja das Budget bedacht sein.
Für meine Idee würde geschlossen reichen. Allerdings könnte ich sie ventiliert auch mal bei mäßigem Pegel auch Fullrange nutzen.
Das Midhorn wird dann später doch wie geplant ein MT130 oder MT121.
Vielen Dank für die ganzen Tipps.
Der Hinweis auf die Schwingspule ist super.
Ich denke, ich baue mit den 10 Zöllern doch eher "normale" Gehäuse und nehme dann 1" als Hochtöner. Soll ja das Budget bedacht sein.
Für meine Idee würde geschlossen reichen. Allerdings könnte ich sie ventiliert auch mal bei mäßigem Pegel auch Fullrange nutzen.
Das Midhorn wird dann später doch wie geplant ein MT130 oder MT121.
Vielen Dank für die ganzen Tipps.
-
Gast
- Gelöschter Nutzer

- Status: Offline
Re: MID HORNTOP 10" statt MT130
Ich würde mir ja überlegen ob man über eine 2x10" wirklich noch einen 1" setzt. Einen 1,4" oder 2" mit entsprechendem Schwingspulendurchmesser kann man einfach tiefer trennen, und das hat bei dem engen Sweetspot einer solchen Kiste noch nie geschadet... 
-
audio-pip
- Pro-User

- Status: Offline
- Beiträge: 437
- Registriert: 18. Mai 2010 14:46
- Bedankung vergeben: 1 Mal
- Bedankung erhalten: 1 Mal
Re: MID HORNTOP 10" statt MT130
*Kopfkratz* was hindert dich bei CB, die Kiste über das komplette Frequenzband zu nutzen?tuffgong hat geschrieben: Allerdings könnte ich sie ventiliert auch mal bei mäßigem Pegel auch Fullrange nutzen.
(OK OK, bevor mir wieder 20 auf den Kopf hauen, ein Lowcut ist von Vorteil im Bezug auf Pegel, wo das aber nicht gefordert ist, ist das sogar sehr wohlklingend.)
Aus meiner Sicht ist der 10PS32 ein guter Fullrange Treiber.
Und ganz ehrlich, die paar Kröten zum 1,5"er solltest du ausgeben auch wenn du Budget auf biegen und brechen durch drücken willst. Es ist nix nerviger als wenn der HT "am ende ist und der TMT ihn Pegelmäßig beginnt zu überholen." Glaub mir, hatte ich schon....
-
tuffgong
Themenstarter - Kabelwickler
- Status: Offline
- Beiträge: 83
- Registriert: 1. Feb 2017 21:23
- Bedankung vergeben: 11 Mal
- Bedankung erhalten: 1 Mal
Re: MID HORNTOP 10" statt MT130
CB fällt die Kiste etwas früh ab. So richtig Bass ist da nicht mehr ohne Sub.
1,4 überleg ich mir noch.
Ich will keine 2x10 bauen, sondern 4 Gehäuse mit einem 10er jeweils.
1,4 überleg ich mir noch.
Ich will keine 2x10 bauen, sondern 4 Gehäuse mit einem 10er jeweils.
-
Klangart
- Knöpfchendreher
- Status: Offline
- Beiträge: 657
- Registriert: 28. Aug 2013 16:54
- Bedankung vergeben: 2 Mal
- Bedankung erhalten: 36 Mal
Re: MID HORNTOP 10" statt MT130
Hallo,
hier waren nu aber alle bei doppel 10" weil wer erst Hörner für Dampfbeschallung bauen will und dann die Hornschüssel weg lässt muß scho eine Pappe mehr nehmen damit das so auch *Dampf* macht.
Klemme da nen LTH-102 Horn zwischen die 10ner in Bassreflex mit BMS 4550 dann haste Dampf und Klang und GUT ist !
Nu bitte also nicht noch 3 Seiten hier weiter machen wenn es nun nur ne Standart 10" 1" Box werden soll ...
Klangart
hier waren nu aber alle bei doppel 10" weil wer erst Hörner für Dampfbeschallung bauen will und dann die Hornschüssel weg lässt muß scho eine Pappe mehr nehmen damit das so auch *Dampf* macht.
Klemme da nen LTH-102 Horn zwischen die 10ner in Bassreflex mit BMS 4550 dann haste Dampf und Klang und GUT ist !
Nu bitte also nicht noch 3 Seiten hier weiter machen wenn es nun nur ne Standart 10" 1" Box werden soll ...
-
audio-pip
- Pro-User

- Status: Offline
- Beiträge: 437
- Registriert: 18. Mai 2010 14:46
- Bedankung vergeben: 1 Mal
- Bedankung erhalten: 1 Mal
Re: MID HORNTOP 10" statt MT130
....also ich bin ja der letzte der da die Gedult verliert, aber das hier ist Kindergarten...
Wenn der kleine tuffgong mal weis was er will, helfe ich gerne weiter bis dahin, Sendepause!
Da ist jedes Wort Zeitverschwendung!
Wenn der kleine tuffgong mal weis was er will, helfe ich gerne weiter bis dahin, Sendepause!
Da ist jedes Wort Zeitverschwendung!
-
corell
- Gewerblicher Teilnehmer

- Status: Offline
- Beiträge: 658
- Registriert: 12. Dez 2013 02:59
- Beruf: Acoustic Engineer
- Firma: HORNER Audio
- Bedankung vergeben: 2 Mal
- Bedankung erhalten: 34 Mal
Re: MID HORNTOP 10" statt MT130
Ja gut, wenn jeder selber die pros und contras abwegen könnte und sich dann für eine variante entscheiden, bräuchten wir kein forum mehr, sondern nurnoch eine seite wo man dann die bausätze bestellen kann. Hier gehts ja grade darum herauszufinden was sinn macht.
Für mich stellt sich das so da: gewünscht war ein Mid horn, vorhanden gewisse 10". Nun wurde ihm davon abgeraten konkret diese chassis in einem horn zu verbauen. Damit ist die idee vom horn nach wie vor nicht gestorben aber um die nunmal vorhandenen chassis zu nutzen, wäre er nun auch bereit BR oder CB damit zu bauen ( auch wenn das selbstverständlich nicht so laut werden wird). Nun stellt sich die frage nach dem HT.
Für mich stellt sich das so da: gewünscht war ein Mid horn, vorhanden gewisse 10". Nun wurde ihm davon abgeraten konkret diese chassis in einem horn zu verbauen. Damit ist die idee vom horn nach wie vor nicht gestorben aber um die nunmal vorhandenen chassis zu nutzen, wäre er nun auch bereit BR oder CB damit zu bauen ( auch wenn das selbstverständlich nicht so laut werden wird). Nun stellt sich die frage nach dem HT.
-
tuffgong
Themenstarter - Kabelwickler
- Status: Offline
- Beiträge: 83
- Registriert: 1. Feb 2017 21:23
- Bedankung vergeben: 11 Mal
- Bedankung erhalten: 1 Mal
Re: MID HORNTOP 10" statt MT130
danke corell. genau so isses.
Is schon ein krasser Ton hier bei euch Profis.
War bisher immer nur in den hifi foren unterwegs. Da wird man nicht so hingestellt wie der letzte Depp.
Wenn ich 4 10er hier rumliegen habe, dann versuche ich doch die erstmal zu nutzen. Ich mach 4 Gehäuse mit jeweils einem 10er und einem HT. Das ganze soll Mono und nicht Stereo genutzt werden.
Deshalb ist auch ein 1 Zoll meiner Meinung nach ok.
Dazu gibt es FL-Hörner als Kickfiller. Sind schon da.
Als Sub werden es die Othorn TH.
Wenn das dann alles mal läuft und ich mal wieder Geld über habe, kümmere ich mich um die Midhörner mit dem B&C12PE32 oder sowas in der Art.
Das ist bei mir Hobby. Ich muss damit kein Geld verdienen.
Ist ja auch klar:
Wer kein Bock hat, der muss ja hier sein Senf nicht dazu geben. Ich verstehe dieses oberlehrerhafte nicht.
Is schon ein krasser Ton hier bei euch Profis.
War bisher immer nur in den hifi foren unterwegs. Da wird man nicht so hingestellt wie der letzte Depp.
Wenn ich 4 10er hier rumliegen habe, dann versuche ich doch die erstmal zu nutzen. Ich mach 4 Gehäuse mit jeweils einem 10er und einem HT. Das ganze soll Mono und nicht Stereo genutzt werden.
Deshalb ist auch ein 1 Zoll meiner Meinung nach ok.
Dazu gibt es FL-Hörner als Kickfiller. Sind schon da.
Als Sub werden es die Othorn TH.
Wenn das dann alles mal läuft und ich mal wieder Geld über habe, kümmere ich mich um die Midhörner mit dem B&C12PE32 oder sowas in der Art.
Das ist bei mir Hobby. Ich muss damit kein Geld verdienen.
Ist ja auch klar:
Wer kein Bock hat, der muss ja hier sein Senf nicht dazu geben. Ich verstehe dieses oberlehrerhafte nicht.
-
Jens Droessler
- Pro-User

- Status: Offline
- Beiträge: 1115
- Registriert: 16. Feb 2015 19:44
- Bedankung vergeben: 14 Mal
- Bedankung erhalten: 103 Mal
Re: MID HORNTOP 10" statt MT130
Die Frage wäre eben, was du mit den vier Kisten vorhast. Zwei pro Seite einsetzen? Dann solltest du Hochtonhörner mit passender Abstrahlung wählen, damit es keine starken Überlappungen gibt.
ACHTUNG! Weil bei Facebook nur Idioten arbeiten, ist mein altes Profil dort auf unabsehbare Zeit nicht erreichbar. Wer etwas von mir will, der schreibe mir hier eine PN oder kontaktiere mich auf meinem neuen Facebook-Profil.
-
kerne
- HobbyKistenSchlepper
- Status: Offline
- Beiträge: 210
- Registriert: 17. Dez 2009 18:33
- Bedankung vergeben: 1 Mal
- Bedankung erhalten: 3 Mal
Re: MID HORNTOP 10" statt MT130
er schreibt Mono, will Hörner und heißt Tuffgong. Ich vermute stark, dass es isch um eine Reggae Soundsystem handelt
also ein 4 Wege Stack alles auf einem Stapel
Wer ist online?
Mitglieder in diesem Forum: Christina** und 2 Gäste